SDR5.1 TRX 계통도를 그려 봤습니다
드디어 SDR 송수신기가 본격적으로 제작 되는 군요. 설계자의 많은 노고가 들어가 있는 회로도를 봤습니다. 대단합니다. 전자공작 카페의 회원이라는 것이 자랑스럽군요. 설계자와 방장님의 수고에 절로 고개가 숙여지네요.
부품들이 조밀하고 난이도가 높아 기판은 SMD 공정으로 조립되겠지만 그래도 동작 원리는 조금이나마 이해해 보고자 감히 계통도를 그려 봤습니다. 제가 세부 회로 설계에 대해 지식이 없어서 계통도 만 그려본 것입니다. 궁금한 것을 질문 하시면 설계자께서 설명해 주시리라 믿습니다. 공동 제작의 의의를 조금이라도 높일 수 있길 바랍니다.
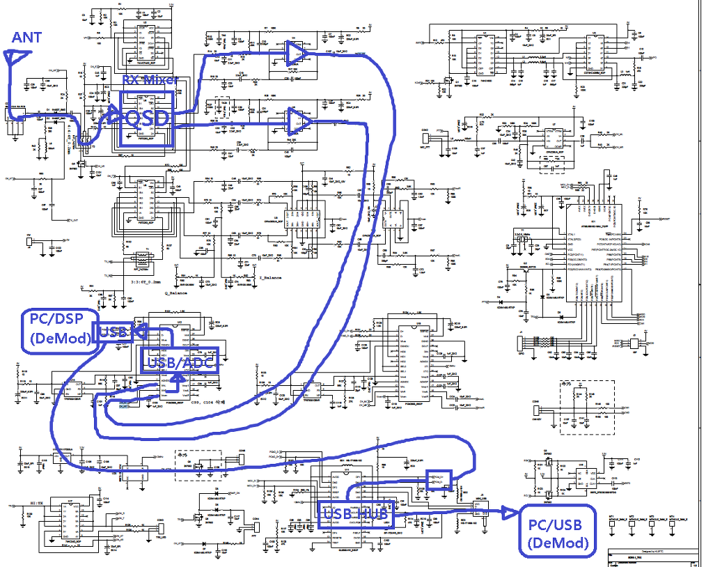
먼저 수신부 계통도 입니다. 일반적인 SDR 수신기의 구성을 하고 있습니다.

송신부 계통도 입니다. 송신기는 수신기의 역순입니다. 단 마이크 입력 신호를 SSB, AM등으로 변조하기 위해 PC를 사용하고 있군요. 수신부의 경우 다운 믹싱 한 신호를 PC에서 복조하여 PC 스피커를 울려 주기 때문에 USB CODEC에서 ADC 부분만 사용합니다만 송신부는 마이크 입력을 디지털로 변환하는 ADC와 변조된 디지털 신호를 송신하기 위해 아날로그로 변환하는 DAC가 모두 사용 되고 있습니다. 변복조, 필터링은 모두 PC에서 DSP소프트웨어를 이용합니다. SDR이 소프트웨어로 만든 라디오라는 뜻이 바로 여기에 있습니다.

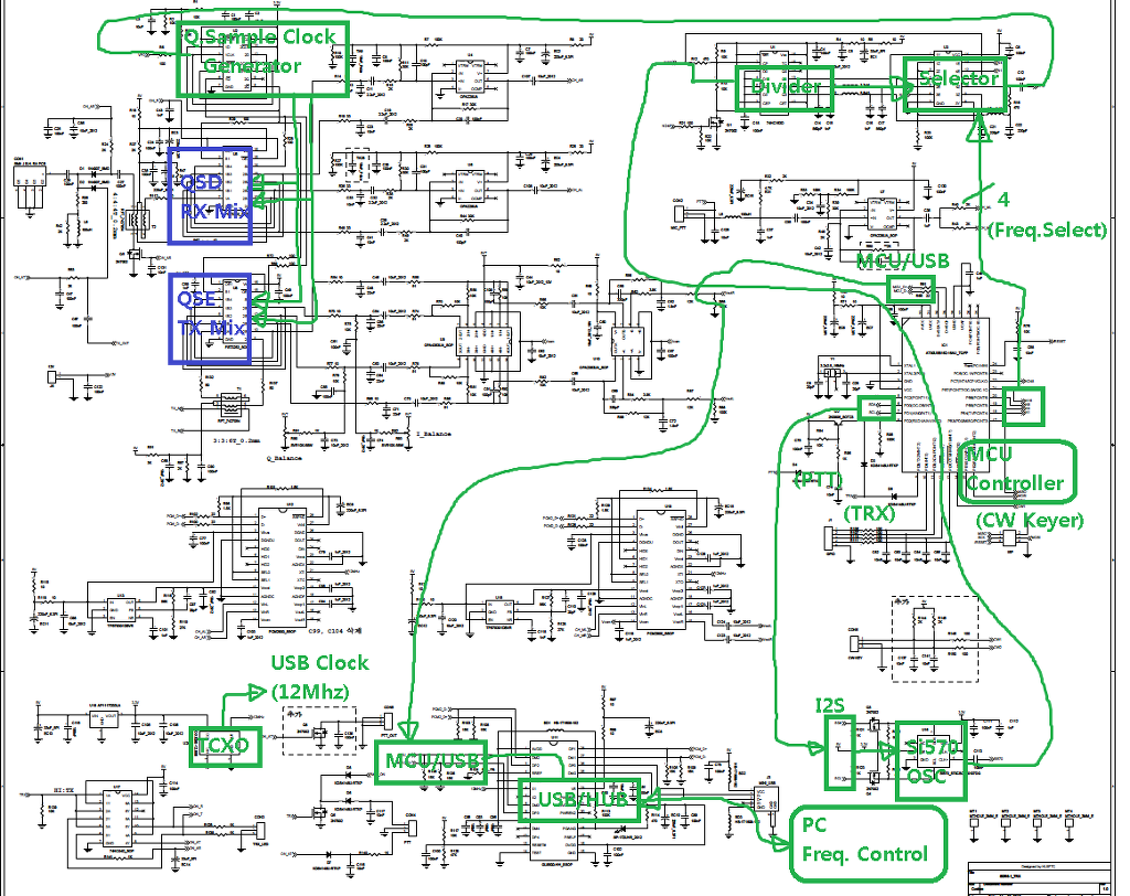
라디오의 심장에 해당하는 VFO(가변 주파수 발진기)의 계통도 입니다. 전 밴드 주파스에서 운용될 수 있도록 Si570이라는 가변 디지털 발진기가 사용 됐습니다. PC에서 소프트웨어로 주파수를 설정하면 마이크로 컨트롤러(MCU)가 Si570의 발진 주파수를 제어 합니다.

SDR5.1 TRX에는 총 3개의 USB가 사용됩니다. 수신용 ADC, 송신용 ADC와 DAC 그리고 주파수 및 각종 제어를 위한 마이크로 컨트롤러 입니다. 세개의 USB는 허브로 단일화 했군요.
MCU의 역활은 발진 주파수를 제어하고, PTT 신호를 감지하여 송수신 전환 시키며 CW 키어 기능을 가진 것으로 보입니다. 세개의 USB 장치와 허브 칩에 사용한 발진기는 12Mhz 짜리 TCXO가 사용되었군요.
제가 이해한 대로 계통도를 그려봤습니다만 혹시 틀릴 수도 있으니 질문 댓글 주시면 설계자께서 설명을 주시리라 믿습니다.
----------
카페 모꼬지가 다다음주로 다가왔는데 제가 요즘 몸이 아파서(메르스는 아님) 갈 수 있을지 모르겠군요. 작년 모꼬지때 지리산 산장에서 본 밤하늘 은하수가 그립군요. 꼭 가고 싶습니다. ㅠㅠ